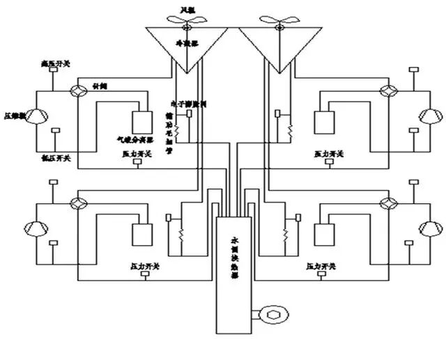
风冷模块机组工程应用
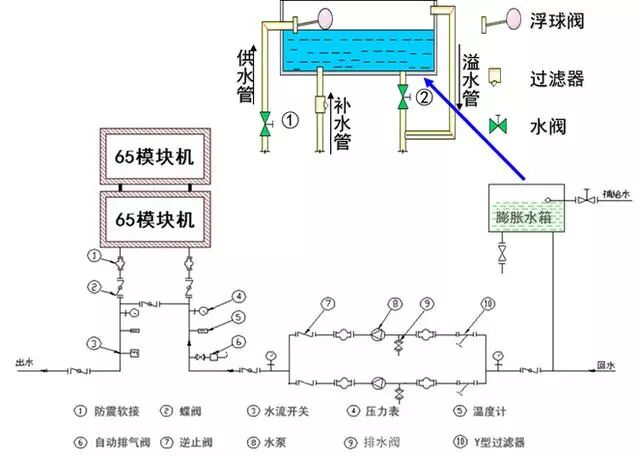
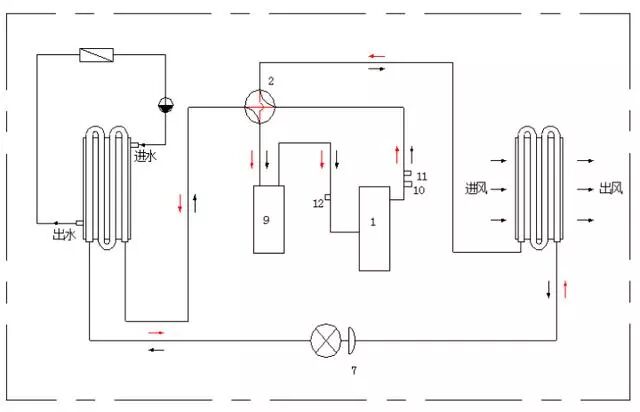
风冷模块机组原理示意图:
系统原理:
模块机的自由组合:
模块机的后备运转功能:
模块机的接口尺寸:
工程设计与安装:
1、方案设计准备:
2、负荷计算:
面积指标法负荷计算注意事项:
建筑物吊顶后室内层高超过4米;
房间外墙西晒较严重或处于周围建筑阴影区域内;
房间位于建筑物顶层且无较良好的隔热措施、围护结构为玻璃幕墙;
建筑空间是否存在内外区的分区;
新风是否带来的额外冷负荷。
当出现上述情况或者其它一些恶劣条件时,估算单位负荷指标增加10%~15%。
3、室内设备选型
盘管排数决定了冷量的大小,当采用冷量来选择末端时,由于估算负荷基本上是最大冷负荷,故可根据高风档对应冷量来进行选型。当风机盘管采用杂牌时,型号需加大一号或按中风挡对应冷量来选型。
4、室外设备选型
主机选型时的注意事项:
一个控制系统最多控制16台主机;
普通模块机与热回收型模块机组合时,热回收型应放置在最前面;
65模块并排布置时,最多布置六台;
模块机严禁作为热水机使用;
水流量估算公式:
式中Q选设计冷负荷,不宜选末端冷量之和,严禁选主机制冷量,4.5~5指机组进出水温度差,标准情况下温差为5;1.163为大卡与瓦之间的换算系数;简化后:冷冻水流量L (m3/h)=0.172Q(该公式适用于管径计算的流量);冷冻水泵水流量,可按冷冻水流量预留15%的余量,则冷冻水泵流量L(m3/h)=0.172Q*1.15=0.198Q。
水流量估算公式(顺便重点强调一下)
同理:将以上公式温差取5度,由于能效比不小于4,系数可取1.25,简化后,冷却水流量为机组冷冻水流量的约1.25倍,即L(m3/h)=1.25*0.172Q=0.215Q;
冷却水泵水流量,可按冷冻水流量预留15%的余量,则冷却水泵流量L(m3/h)=0.215Q*1.15=0.247Q。特别提示:冷却水流量中的Q只能取螺杆机主机制冷量。
同理:将以上公式温差取5度,由于冷却塔随着适用时间的增加,换热效率降低,且冷却塔使用环境与设计标况有差别,故冷却塔水流量的系数建议取最大1.5,冷却塔的水流量为机组冷冻水流量的1.5倍,经简化后L(m3/h)=1.5*0.172Q=0.258Q。
特别提示:冷却水流量中的Q只能取螺杆机主机制冷量。
多台水泵并联时,水流量会产生衰减。
由上表可见:水泵并联运行时,流量有所衰减;当并联台数超过3台时,衰减尤为厉害。建议:1.选用多台水泵时,要考虑流量的衰减,留有余量。2.空调系统中水泵并联不宜超过3台,即进行制冷主机选择时也不宜超过三台。
水泵扬程计算:
一般空调冷冻水泵的扬程基本在27m~32m之间。当系统比较简单时,可用24m扬程的,当系统比较复杂,最不利环路管路较长时,可用37m扬程的。
水泵扬程计算:
一般空调冷却水泵的扬程基本在16m~24m之间。当系统比较简单时,水塔离机组较近时,可用12m扬程的。
膨胀水箱选型:
辅助设备选型注意事项:
多台模块机组分为多个系统并联运行时,每个系统必须对应一台水泵;
多台螺杆机并联运行时,冷冻水泵、冷却水泵、冷却塔必须一一对应,不能两台或多台螺杆机组共用水泵或水塔;
大中型工程应分别设置冷,热水循环泵;
多个系统可用共用膨胀水箱或补水箱;
膨胀水箱应安装高于系统最高点1.5米;
膨胀水箱膨胀管上不宜安装阀门,严禁安装止回阀;
膨胀水箱膨胀管应接在水泵进水口一侧;
水泵应安装在主机进水口一侧;
水泵进水口应装过滤器,出水口应装止回阀。
分水器和集水器:多路供水的空调水系统宜设置分、集水器,其管径宜大于最大接管直径的两倍。
5、系统管路部件
6、空调冷冻水系统
同程式与异程式:
开式与闭式:
系统比较:
定流量与变流量系统:
1)定流量系统:系统中循环水量保持不变,当空调负荷变化时,通过改变供、回水的温差来适应。
2)变流量系统:系统中供回水温差保持不变,当空调负荷变化时,通过改变供水量来适应。
所谓定流量和变流量均指负荷侧环路而言。
冷源侧应保持定流量,其理由是:
(1)保证冷水机组蒸发器的传热效率;
(2)避免蒸发器因缺水而冻裂;
(3)保持冷水机组工作稳定。
模块机常用的空调系统:
水系统水管管径的计算:
公式中:L--所求管段的水流量(参照水流量计算);
V--所求管段允许的水流速。
空调水管干管允许最大经济流速 m/s
7、空调冷凝水系统(略),
8、风系统(略)
9、电气系统(略),请查看南社百科相关课件。
工程造价:
1、模块机造价的组成:
室内部分:
必须:不锈钢软接(2) 铜闸阀(2) Y型铜过滤器(1)
可选:电动二通阀(1)或电动三通阀(1)
末端为空调箱时,软接头等于或大与DN50时,选橡胶软接头。组合式空调箱常配合电动三通阀(微分控制或积分控制)
风机盘管或空调箱
末端阀门(一进一出),过滤器,软接头,管路流量调节阀门,排气、排污阀门;
冷冻水管及其保温;
凝结水管及其保温;
风管及其保温;风口及风阀;
新风系统;排风系统;
末端控制开关及管线。
室外部分:
必须:橡胶软接头(2) 闸阀或蝶阀(2) 压力表(2) Y型过滤器(1) 止回阀(1) 压力表(2)
可选:温度计(2)
必须:橡胶软接头(2) 闸阀或蝶阀(2) 压力表(2);
可选:Y型过滤器(1)
必须:水流开关(1) 自动排气阀 排污阀 分支路的闸阀或蝶阀或动态流量调节阀(调节支路流量)
可选:压差旁通阀(1) 蝶阀(2) 压力表(2) 温度计(2)
主机;水泵;主机、水泵阀门(一进一出);过滤器;止回阀;软接头;管路流量调节阀门;排气、排污阀门;水流开关;压力表;温度计;冷冻水管及其保温;膨胀水箱;电控箱及配管、配线。
版权声明: 本内容转自网络,版权归原作者所有,因无法获得原始出处无法标明来源敬请谅解,如有侵犯到您的合法权益,请及时在文章后留言说明,我们将尽快处理,对可能产生的任何影响我们均不承担责任,并且也不代表制冷世界的观点和立场。
- 上一篇:灯槽对空调制热效果影响,你知道吗? 2019/1/7
- 下一篇:小奥科普丨空调讲堂二 2019/1/5
